欢迎光临中国林产工业协会竹缠绕复合材料产业分会,欢迎社会各界提出宝贵的意见和建议
|
加入收藏
Toggle navigation
搜索
网站首页
分会概况
分会简介
分会章程
分会领导
组织机构
咨询服务
技术团队
行业统计
会员之窗
入会申请
科技创新
行业标准
行业专家
质量安全
协会刊物
行业奖项
新闻中心
国际视窗
联系我们
当前栏目:
网站首页
行业标准
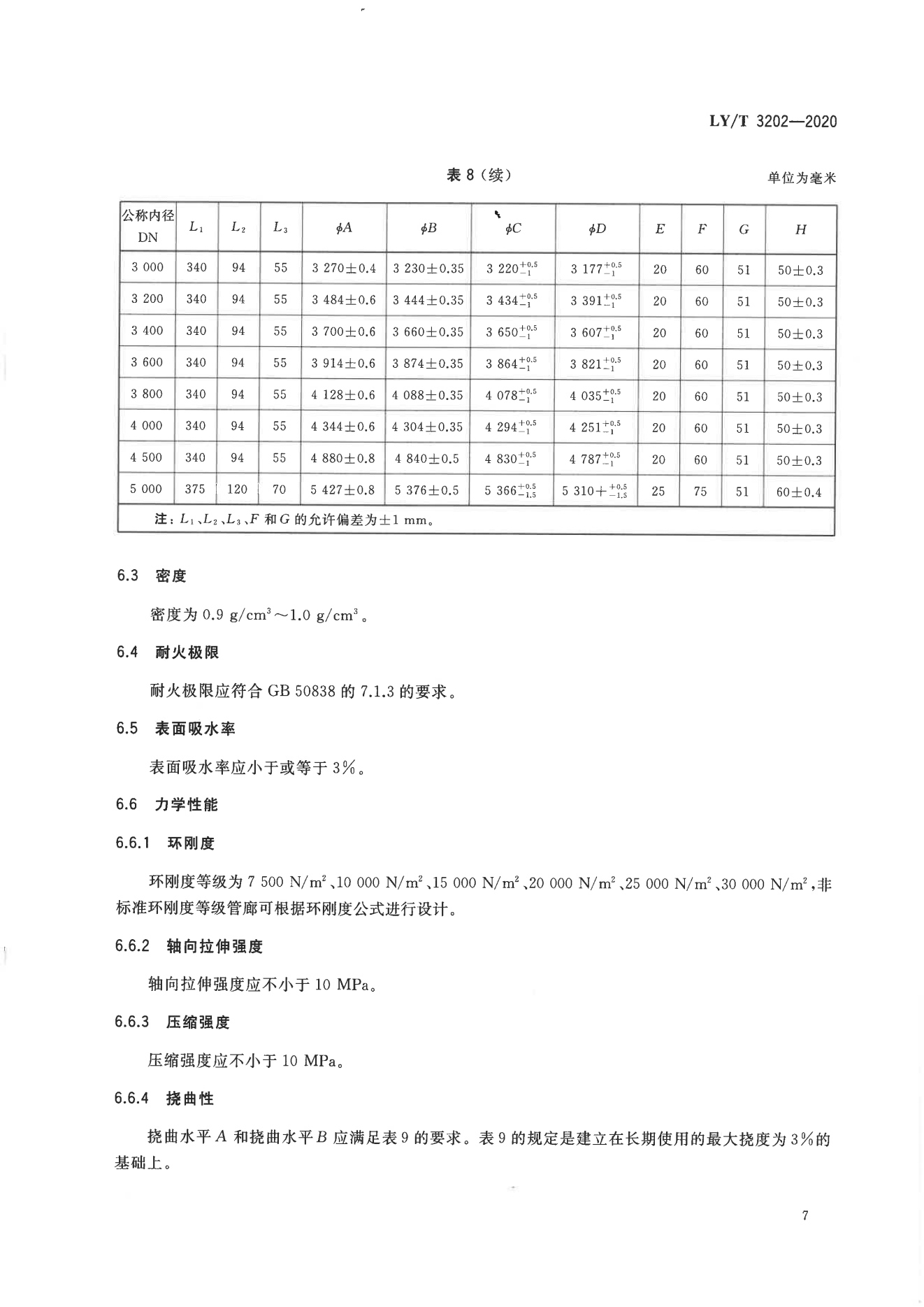
林业行业标准《竹缠绕管廊》(LYT3202-2020)
发布时间:2022-11-17 12:24
信息来源:中国林产工业协会
分享到:
相关附件
正版 林业行业标准《竹缠绕管廊》(LYT3202-2020)-扫描版(1).pdf